Omega 2 - Ethernet without Ether dock?
-
@Thomas-Mason
@ccs-hello said in Omega 2 - Ethernet without Ether dock?:Tx C.T. and Rx C.T. tied together then go thru a cap to Ground.
There is no need to connect to Omega 2+ side.Note that EasyJack is not a common part to get in a regular electronic store.
Not that regular but I think pretty available. For example, HR911105A. I got some from Ebay, ca USD4.5 per 5pcs:


Didn't have time yet to check them out.
I found much more difficult to find a human solderable solution for the USB protection circuit and ended up purchasing individual diodes.
-
@Marcin-Debowski @Thomas-Mason
I've been using the HLJ-6115ANL from iTead (datasheet here) successfully for a few projects.
The main advantage over the Bel Stewart is that it has the pins for PPoE (passive power over ethernet, i.e. DC+ on 4/5 and DC- on 7/8). And it's even less expensive.
-
Thanks Luz.
I checked the Hanrun HR911105A module in the meantime and it works without any issues. Direct connection (T to T and R to R, not a cross-over).
.After all the wiring is done, for a quick test, the network configuration file needs to be edited as per this document:
https://docs.onion.io/omega2-docs/ethernet-bridge.html#step-2-enable-the-omegas-ethernet-connection
and if all was done correctly, the ethernet port should start acting as a WAN if (and Omega as a hot-spot).
-
Really interesting... here is a link for Hanrun model volume purchase, $0.60/unit:
Questions:
-
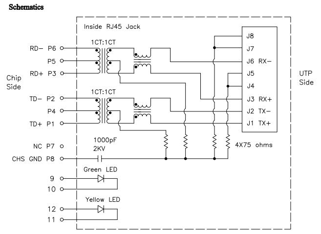
What does CT stand for? Not "coil turn(s)"?
-
What output pins are used for DC +/- on your HLJ model?
-
Can we do PoE on the Hanrun model too? Same pins?
-
Hanrun looks complete with resistors and caps, so no external components needed, I assume? But your model datasheet seems to miss the resistors and caps?
-
-
@Athar-Mian said in Omega 2 - Ethernet without Ether dock?:
Questions:
- What does CT stand for? Not "coil turn(s)"?
Center Tap
Here is related to an Ethernet magnetics:
CT is a contact made to a point halfway along a winding of a transformer (or an inductor).
-
@Marcin-Debowski Don't send PoE through that han run mag jack, the resistors inside will burn. Or, you can use a PoE injector/splitter, so you remove the DC power from the cat5 before it gets to the magjack.
-
These EasyJack, SmartJack, ... have multiple variants (suffix of the part number) for different purposes.
For PoE application, find the right one with the proper part number.ccs_hello
-
Hi,
Any chance you can send me the wiring diagram?
I am using the same in my design but cannon make it work.Thanks,
Kjell S.
-
@Kjell-Sundby For example this is the magnetics of the Seeed Studio's Breakout for Linkit Smart 7688 v2.0 board:

Connect:
P2 to ETH TX+
P3 to ETH TX-
P4 to ETH RX+
P5 to ETH RX-
GND to GNDThis is working well with Omega2(+) and any identical magnetics should work too.
-
Re: Omega 2 - Ethernet without Ether dock?
successfully upgraded bootloader with Hanrun HR911105A. connect as its datasheet suggests

